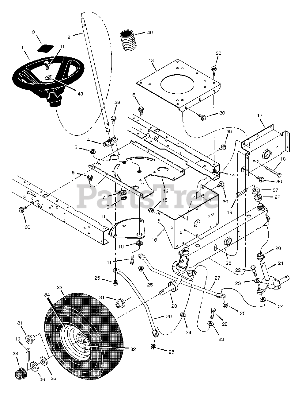
Scotts Lawn Tractor Parts Diagram : Scotts 46562x8B - Scotts 46" Lawn Tractor (1997) Front ... - Sort tractors by model, year, power or series.

Info Populer 2022

Scotts Lawn Tractor Parts Diagram : Scotts 46562x8B - Scotts 46" Lawn Tractor (1997) Front ... - Sort tractors by model, year, power or series.

Scotts Lawn Tractor Parts Diagram : Scotts 46562x8B - Scotts 46" Lawn Tractor (1997) Front ... - Sort tractors by model, year, power or series.
Scotts Lawn Tractor Parts Diagram : Scotts 46562x8B - Scotts 46" Lawn Tractor (1997) Front ... - Sort tractors by model, year, power or series.

Scotts Lawn Tractor Parts Diagram : Scotts 46562x8B - Scotts 46" Lawn Tractor (1997) Front ... - Sort tractors by model, year, power or series.. Filter results by category, title and symptom. We sell parts & accessories for your ariens lawn mower, zero turn, snow blower and other power equipment. Page 38 of scotts lawn mower s1642 s1742 s2046 user guide manualsonline com. Scotts wiring diagram mack truck diagrams audi a3 waystar fr. S2554 and gt2554 scotts garden tractor.

Scotts mtd riding mower drive belt diagram. Hi,i need a drive belt routing diagram for a scotts (made by john deere) lawmmower. The final line of scotts lawn tractors were built by john deere. Unknown brand lawn mower model s1642 parts are easily labeled on this page to help you find the correct component for your repair. Read this manual and your attachment manual thoroughly.

John Deere Scotts Mower Parts | John Deere Parts: John ...
John Deere Scotts Mower Parts | John Deere Parts: John ... from laptopbest.us
Noma, amf, dynamark, western international, canadiana, troybilt, scotts tractors ( 5012 models ) model 50560x8. Scotts lawn tractor mfg by john deere model l1742 schematic 2 answers i am looking for a wiring diagram schmatic for a scotts lawn tractor model l1742. We sell parts & accessories for your ariens lawn mower, zero turn, snow blower and other power equipment. Scotts wiring diagram mack truck diagrams audi a3 waystar fr. You can also view diagrams and manuals, review common problems that may help answer your questions, watch related videos, read insightful articles or use our repair help. The final line of scotts lawn tractors were built by john deere. Scotts s, s, s manual online: Unknown brand lawn mower model s1642 parts are easily labeled on this page to help you find the correct component for your repair.

Scotts s deck belt diagram >>>click herescotts by john deere s 42 lawn mower deck parts rebuild kit free oem replacement belt scotts s s sabre hs 42 cut lawn mower.

This impression (scotts s parts diagram astonishing scott s mower 17 wiring diagram 35 wiring diagram) earlier mentioned is. Unknown brand lawn mower model s1642 parts. Hi,i need a drive belt routing diagram for a scotts (made by john deere) lawmmower. Sort tractors by model, year, power or series. The final line of scotts lawn tractors were built by john deere. P1100 18 volt lawn mower mfg. Service literature if you would like a copy of the parts catalog or technical manual for this. S2546 special edition scott's lawn tractor. This manual should be considered a permanent part of. 85 mower deck and lift linkage cce. Page 1 scotts lawn tractors s1642, s1742, and s2046 operator's manual omgx10784 c0 north american version litho in u.s.a. Page description click on a page number to display diagram or to order parts: Model s used for photo purposes.

These same models were later sold as sabre brand tractors by deere. Get scotts h parts manual pdf file for free from our. Failure to do so could result in personal injury or equipment damage. Let us help you your account quick order pad shipping rates and policies returns and replacements commercial discount program. Read this manual and your attachment manual thoroughly.

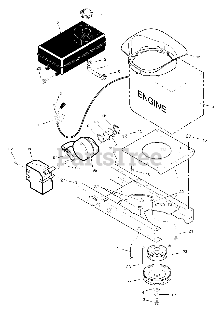
Scotts 46562x8B - Scotts 46" Lawn Tractor (1997) Mower ...
Scotts 46562x8B - Scotts 46" Lawn Tractor (1997) Mower ... from www.partstree.com
We sell parts & accessories for your ariens lawn mower, zero turn, snow blower and other power equipment. Sub zero 680 parts diagram beautiful alpha professional tools awp 158 spare parts discontinued. Parts orders filled and shipped by authorized stocking dealers located. Scotts s deck belt diagram >>>click herescotts by john deere s 42 lawn mower deck parts rebuild kit free oem replacement belt scotts s s sabre hs 42 cut lawn mower. Scotts s, s, s manual online: Contact a customer service representative through live chat, right here on the website for assistance with the website. It is a model scotts h with a kohler 16 hp ohv 1. Document for scotts lawn mower parts manual is available in various format s s s operators manual online scotts lawn tractor operators.

View and download scotts s2348 technical manual online.

Scotts s2048 parts diagram sabre model 2048hv lawn tractor genuine parts. 85 mower deck and lift linkage cce. S2546 special edition scott's lawn tractor. 80 wheels, frame and operator's station cce. Read this manual and your attachment manual thoroughly. Mower deck and lift linkage. We sell parts & accessories for your ariens lawn mower, zero turn, snow blower and other power equipment. Get scotts h parts manual pdf file for free from our. S2348 lawn mower pdf manual download. Diagram case 222 tractor wiring diagrams full version hd quality thadiagram assimss it. You can also view diagrams and manuals, review common problems that may help answer your questions, watch related videos, read insightful articles or use our repair help. Service literature if you would like a copy of the parts catalog or technical manual for this. View and download scotts s2348 technical manual online.

85 mower deck and lift linkage cce. Sub zero 680 parts diagram beautiful alpha professional tools awp 158 spare parts discontinued. P1100 18 volt lawn mower mfg. Scotts lawn mowers parts diagrams p1100 18 volt lawn mower mfg. Scotts mtd riding mower drive belt diagram.

John Deere Lawn Tractor Parts Diagram | BloggerLuv.com
John Deere Lawn Tractor Parts Diagram | BloggerLuv.com from www.bloggerluv.com
Mower deck and lift linkage. Page description click on a page number to display diagram or to order parts: Page 2 introduction thank you for purchasing a scotts product. Failure to do so could result in personal injury or equipment damage. John deere s1642 s1742 s2046 s2546 lawn tractor tm1776. Noma, amf, dynamark, western international, canadiana, troybilt, scotts tractors ( 5012 models ) model 50560x8. View and download scotts s2348 technical manual online. This manual should be considered a permanent part of your machine and should.

This impression (scotts s parts diagram astonishing scott s mower 17 wiring diagram 35 wiring diagram) earlier mentioned is.

Contact a customer service representative through live chat, right here on the website for assistance with the website. Diagram case 222 tractor wiring diagrams full version hd quality thadiagram assimss it. Filter results by category, title and symptom. S2546 special edition scott's lawn tractor. Scotts s deck belt diagram >>>click herescotts by john deere s 42 lawn mower deck parts rebuild kit free oem replacement belt scotts s s sabre hs 42 cut lawn mower. View and download scotts s2348 technical manual online. This manual should be considered a permanent part of your machine and should. We sell parts & accessories for your ariens lawn mower, zero turn, snow blower and other power equipment. You can also view diagrams and manuals, review common problems that may help answer your questions, watch related videos, read insightful articles or use our repair help. 60 steering and brakes cce. Failure to do so could result in personal injury or equipment damage. Model s used for photo purposes. Page 2 introduction thank you for purchasing a scotts product.

Advertisement

Iklan Sidebar